第三方环境检测,环境检测机构,环境污染检测

新闻分类

产品分类

联系我们

企业名称:潍坊太阳成集团tyc122cc入口检测服务有限公司

地址:潍坊市北海路与民主街交叉口西北角 寒亭高新技术产业园6号楼三楼

公司运营电话:孙经理 139 0636 9770

业务咨询电话:孙经理 150 6561 1766

邮箱:   wfytjc2015@163.com


《生活垃圾焚烧污染控制标准》修改单发布

您的当前位置: 首 页 >> 新闻中心 >> 公司新闻

《生活垃圾焚烧污染控制标准》修改单发布

发布日期:2020-01-02 作者:转载 点击:

《生活垃圾焚烧污染控制标准》修改单发布

关于发布《生活垃圾焚烧污染控制标准》(GB 18485-2014)修改单的公告


  为贯彻《中华人民共和国环境保护法》《中华人民共和国固体废物污染环境防治法》,防治污染,保护和改善生态环境,现批准《生活垃圾焚烧污染控制标准》(GB 18485-2014)修改单,并由生态环境部与国家市场监督管理总局联合发布。

  该标准修改单自2020年1月1日起实施。

  特此公告。

  (此公告业经国家市场监督管理总局田世宏会签)

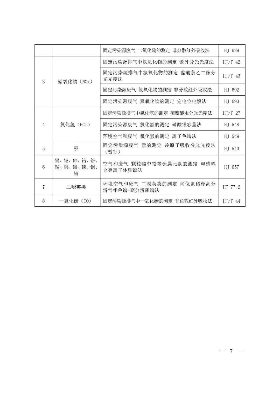
  附件:《生活垃圾焚烧污染控制标准》(GB 18485-2014)修改单

  生态环境部

  2019年11月21日


  抄送:各省、自治区、直辖市生态环境厅(局),新疆生产建设兵团生态环境局,中国环境监测总站,环境标准研究所。

  生态环境部办公厅2019年12月20日印发



相关标签:生活垃圾焚烧污染,烟气检测

最近浏览:

在线客服
分享
欢迎给我们留言
请在此输入留言内容,我们会尽快与您联系。
姓名
联系人
电话
座机/手机号码
邮箱
邮箱
地址
地址